

中空軸旋轉平台-100
應用範例:

規格表:
|
Model |
60型步進馬達 |
200W~400W AC伺服馬達 |
|
旋轉平台軸承 |
圓錐滾子軸承 |
|
|
容許轉矩 |
20 N.m |
|
|
慣性慣量 |
3898 x 10-6 kg.m2 |
|
|
允許轉速 |
200 rpm (盤面) |
|
|
解析度 P/R |
半步進設定~微步進設定 8,000 ~ 1500,000 |
依伺服馬達規格 |
|
減速比 |
直結式減速機 1:8 |
直角減速機 1:16 |
|
定位精度 |
≦ 1 mins |
|
|
反覆定位精度 |
± 5 sec |
|
|
容許推力載重 |
200 kgf |
|
|
容許慣性載重 |
60 N.m |
|
|
旋轉平台平行度 |
± 2 μm |
|
|
旋轉平台同心度 |
≒0.01 mm |
|
|
保護等級 |
40IP |
|
|
重量 |
3kg |
|
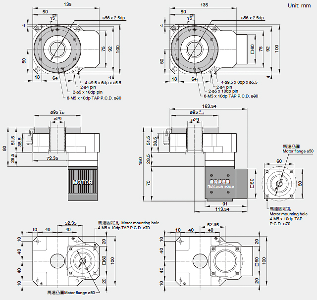
外形尺寸圖:

※訂購時請提供馬達法蘭尺寸
|
60型步進馬達定置 減速比= 1:24 |
200W~400W伺服馬達定置 減速比= 1:24 |
|
|
|

